 |
|
|
 |
189 9721 6000
135 1970 1919 |
|
|
| 联系我们 |
公司名称:青海昊源通风设备制造有限公司 联系人:白经理 联系电话:189 9721 6000 135 1970 1919 QQ:11699 53133 公司地址:西宁市城北区柴达木路西岗加工厂5号 |
|
|
|
 |
当前位置:首页 >> 产品展示 |
|
产品详情
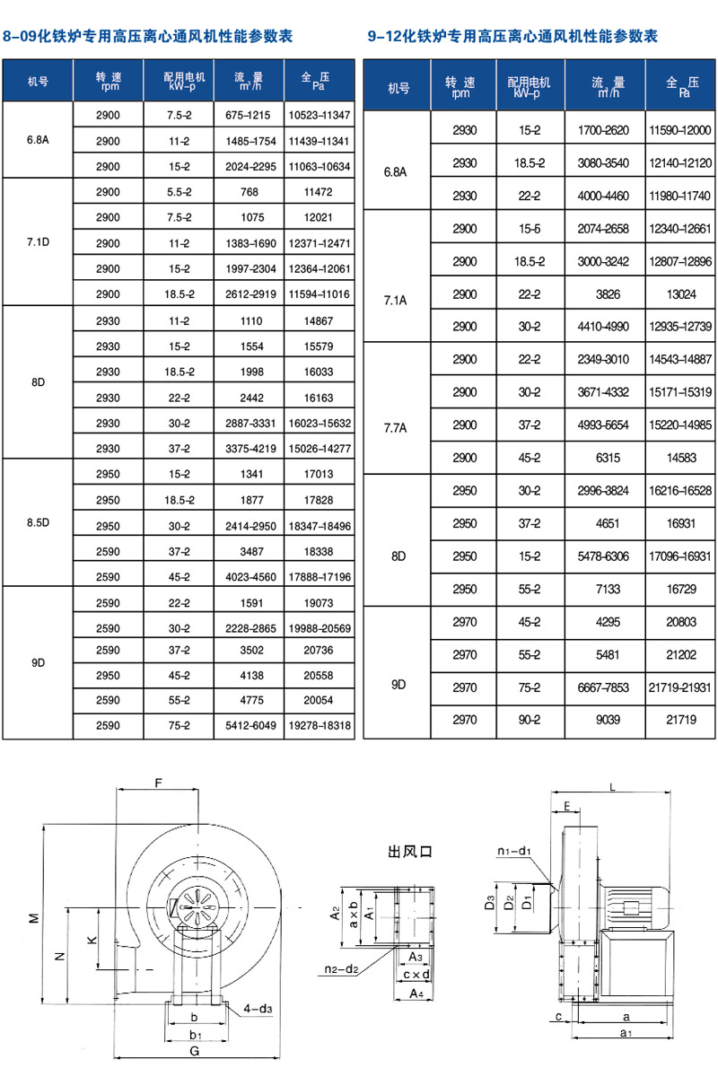
8-09、9-12型高压离心通风机
8-09、9-12型化铁炉专用高压离心通风机,适合于1L/h、2 L/h、3 L/h、5 L/h、7 L/h熔化率的化铁炉鼓风性能要求。该风机还可作为各种熔炉、锻冶炉的鼓风用,也适用于输送空气及无腐蚀性、不自然、不含有粘性物质的气体。输送介质的温度不超过80℃,介质中所含的尘土及硬质细颗粒不大于150mg/ m3。

|
|
|